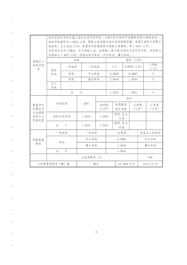
土地复垦方案报告表--新疆叶尔羌河依干其引水枢纽除险加固工程临时用地(生活用房)
来源:莎车县自然资源局 发布日期:2024-12-26 17:18 浏览次数: 字体:【大 中 小】










































作者:
【关闭】
关联稿件:

分享
微博
微信